Neft, Su və Qazın ümumi analizi

Qaz nümunələrinin analizi

  • C1-dən C10+ -a kimi qaz nümunələrinin tərkibinin təyini- N₂, CO₂, H₂S daxil olmaqla
  • Su və karbohidrogenlərin kondensasiya temperaturu
  • C1-dən C6-ya kimi head space qaz analizi
    • Qeyri-üzvi birləşmələr (H2S, CO2, N2, H2) daxil olmaqla, karbohidrogen tərkibi C1-dən C10+ olan təbii qaz nümunəsinin qaz xromatoqrafik analizi.
      • Sokslet ekstraksiya sistemi geniş çeşidli nümunələrdən həll olunan maddələrin sürətli və təhlükəsiz çıxarılması üçün tam avtomatlaşdırılmış həlledici ekstraksiya sistemidir.
        • C1-dən C36+-a qədər karbohidrogen tərkibinin təyini ilə neft və kondensat nümunələrinin qaz xromatoqrafik analizi.
      • Qazın kompozisiya analizi

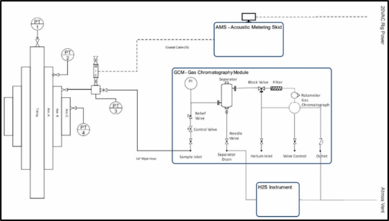
      • Neft quyusunun boruarxası və həlqəvi fəazadan götürülmüş nümunələrə əsasən qaz qarışığını təşkil edən komponentlərin mol% ilə miqdarı (Kompozisiya analizi) GCM/HGM avadanlığı ilə müəyyən edilir.
      • Akustik maye səviyyəsinin ölçülməsi

      • AÖS/AMS cihazları xüsusi şlanqlar və kabellər vasitəsilə bir-biri ilə əlaqələndirildi və elektrik enerjisinə qoşuldu, həlqəvi fəzanın siyirtmələri bağlandı və çıxış tıxacı çıxarıldı və bir sıra digər avadanlıqlar həlqəvi fəzaya quraşdırıldı, bağlanmış siyirtmələr açıldıqdan sonra maye səviyyəsini təyin etmək üçün akustik dalğa göndərildi və iş müvəfiqiyyətlə tamamlandı.

      Neft nümunələrinin analizi

    • Xüsusi çəkinin təyini
    • Kinematik qatılılıq
    • Donma temperaturu (0⁰C-dən aşağı)
    • Donma temperaturu (0⁰C-dən yuxarı)
    • Alovlanma temperaturu (qapalı fincan üsulu)
    • Alovlanma temperaturu (açıq fincan üsulu)
    • Sıxlığın təyini
    • Dib çöküntüsü və suyun təyini
    • Neftin tərkibində suyun təyini (distillə vasitəsilə)
    • Neftin tərkibində suyun təyini (Karl Fişerlə)
    • Kükürd tərkibinin təşyini (XRF ilə)
    • Nikelin təyini (XRF ilə)
    • Vanadiumun təyini (XRF ilə)
    • Duz tərkibinin təyini
    • Parafin (mum) tərkibinin təyini
    • Asfalten tərkibi
    • Kül tərkibi
    • Natriumun təyini (AAS ilə)
    • C1-dən C10+ qədər neftin tərkibinin təyini
    • C35-ə kimi xam neftin tərkibinin təyini (xromotoqram)

    Su nümunələrinin analizi

  • I. Fiziki Göstəricilər
  • • Xüsusi çəki
  • • Temperaturun təyini
  • • PH-ın təyini
  • • Ümumi duzluluğun təyini (q/l)
  • • Elektrik keçiriciliyi və müqavimət
  • • Ümumi asılı bərk maddələr (TSS)
  • • Ümumi bərk maddələr (TS)
  • • Ümumi həll olmuş maddələr (TDS)
  • • Suda neftin təyini
  • • Bulanıqlıq
  • II. Ümumi Kimyəvi Göstəricilər (Titrləmə üsulu ilə)
  • • Xloridlər (Cl-)
  • • Karbonatlar (CO32-)
  • • Hidrokarbonatlar (HCO3-)
  • • Hidroksidlər (OH-)
  • • Ümumi sərtlik (Kalsium və Maqnezium)
  • III. Anion və Kationlar (Spektrofotometr ilə)
  • • Nitratlar (NO3-)
  • • Nitritlər (NO2-)
  • • Ammonium (NH4+)
  • • Ftoridlər (F-)
  • • Sulfatlar (SO42-)
  • • Fosfatlar (PO43-)
  • • Xromatlar (CrO4)
  • • Silikatlar (SiO2)
  • IV. Üzvi Maddələr
  • • Suda neftin təyini
  • • Ümumi Karbon (TC)
  • • Ümumi Üzvi Karbon (TOC)
  • • Oksigenə Kimyəvi Tələbat (COD)
  • V. Metalların ICP-MS cihazı ilə təyini
  • • Alüminium (Al), Arsen (As), Mis (Cu), Barium (Ba), Civə (Hg), Sink (Zn), Dəmir (Fe), Gümüş (Ag), Kadmium (Cd), Kalsium (Ca), Xrom (Cr), Kobalt (Co), Qurğuşun (Pb), Litium (Li), Maqnezium (Mg), Manqan (Mn), Nikel (Ni), Kalium (K), Selen (Se), Natrium (Na), Tallium (Tl), Vanadium (V).